High Performance Octal 16-bit DAC


01
Product Description
The PI11020/21 are high performance octal 16-bit DAC’s ideally suited to use within optical modules and other space constrained precision applications. It is offered in a compact, wafer level package which takes only 6.7mm2 of pcb area.
DAC
Eight 16-bit VDACs support precision applications such as biasing Mach-Zehnder modulators in coherent and other high-performance optical modules. The DACs are guaranteed monotonic and include a class-leading output buffer that can drive up to 30mA each. The output range is either 0 to 2.5V (PI11020) or 0 to 5V (PI11021) when using the internal reference. When an external reference is used the DAC output can be rail-to-rail.
A flexible digital interface allows the DACs to be updated individually or together. The PI11020/21 will power-up with the DACs in power-down mode with high-impedance outputs to allow the output code and reference options to be programmed before enabling the DAC outputs.
Internal Reference
The PI11020/21 includes a 2.5V internal reference with a low 5ppm/°C temperature coefficient. The addition of an output buffer allows the reference to be shared with other circuitry in the application.
02
Product Features
8 Voltage DACs, 16bit
– 2.5V or 5.0V output range when using internal reference (PI11020/21)
– Rail-to-rail output with external reference
– +/-30mA output drive
– DNL of 1LSB
– INL of 16 LSB
Internal 2.5V Voltage Reference
- 5ppm /℃
DAC power-up to zero or to midscale variants
Serial Slave Interface
– SPI, 50MHZ 3-wire Slave
Low Power, Single Supply
– Single 2.7 to 5.5V supply
– 10mA IDD
– 400nA Power down mode
Small Size
– 16 ball WLCSP package
– 2.6mm x 2.6mm
03
Key Indicators
VDAC DNL

04
Product Application
• Optical modules
• Silicon Photonics
• Battery powered devices
• General purpose control
05
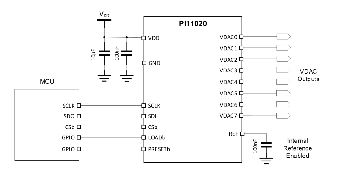
Typical Application Circuit

05
Order Information
Ship Device | PI11020-W1R | PI11021-W1R |
Options | Output Range = 2.5V with internal reference | Output Range = 5.0V with internal reference |
Package | WLCSP | WLCSP |
Shipment Type | Tape and reel | Tape and reel |